
Толщина корпуса всего 180 мм, легко смонтировать в не высоких жилых помещения, глубина корпуса всего 450 мм, что уменьшает занимаемую площадь на потолке

Обеспечьте два режима рециркуляции воздуха снизу и сзади, более гибкая и удобная установка в помещении, пользователи могут выбрать наилучшую схему установки в соответствии с характеристиками внутренней отделки. Примечание. Если места для установки достаточно, рекомендуется использовать режим боковой обратной связи, который может эффективно снизить шум при работе.
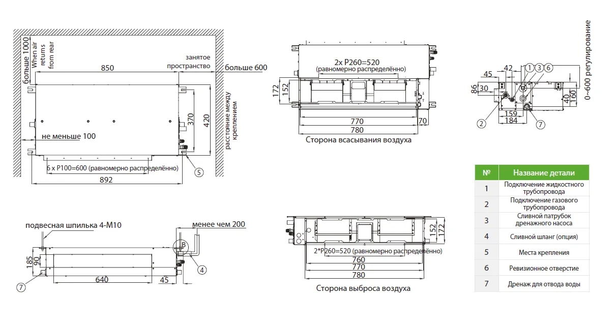
Стандартный насос для подъема конденсата, стандартный напор 700 мм, специальные модели с диапазоном до 1200 мм и встроенным поплавковым выключателем, удобным для взаимодействия с реальной ситуацией на объекте, кондиционирование воздуха с отводом конденсата.

Направляющая панель изготовлена из поликарбоната и обладает высокой термостойкостью, не поддается деформации,
изменению цвета и стиранию.


Наличие отдельных ламелей для вертикальных и горизонтальных жалюзи позволяет создать комфортный объемный
воздушный поток в нужном направлении.
Высота низкого тонкого воздуховода составляет всего 185 мм, что является лучшим показателем в отрасли и обеспечивает
минимальний опуск потолка.


Регулировка напора с помощью проводного контроллера
Можно регулировать с помощью проводных контроллеров MWIR201ABK или MWI-R101ABT. Существует 3 ступени мощности
(только в версии с DC мотором): 0/15/30 Па.
| Технические характеристики |
Единицы измерения |
MIDS-05X1EV1AA | MIDS-07X1EV1AA | MIDS-09X1EV1AA | MIDS-12X1EV1AA | MIDS-16X1EV1AA | MIDS-18X1EV1AA | MIDS-24X1EV1AA |
| Мощность | ||||||||
| Охлаждение | кВт | 1,50 | 2,20 | 2,80 | 3,60 | 4,50 | 5,60 | 7,10 |
| Нагрев | кВт | 1,70 | 2,50 | 3,20 | 4,00 | 5,00 | 6,30 | 8,00 |
| Электрические параметры | ||||||||
| Мощность | Ф/В/Гц | 1/220-230/50/60 | 1/220-230/50/60 | 1/220-230/50/60 | 1/220-230/50/60 | 1/220-230/50/60 | 1/220-230/50/60 | 1/220-230/50/60 |
| Вентиляция | ||||||||
| Расход воздуха (М/В/Л) |
м3/ч | 430/370/310 | 480/420/360 | 480/420/360 | 550/430/370 | 600/540/460 | 800/690/580 | 930/850/750 |
| Звуковое давление (М/В/Л) |
дБ(A) | 26/22/19 | 27/23/20 | 27/23/20 | 30/27/24 | 32/29/26 | 33/30/27 | 36/33/30 |
| Звуковая мощность (М/В/Л) |
дБ(A) | 40/36/33 | 41/37/34 | 41/37/34 | 44/41/38 | 46/43/40 | 47/44/41 | 50/47/43 |
| Установка - Размеры | ||||||||
| Размеры нетто (ШхДхГ) |
мм | 850x420x185 | 850x420x185 | 850x420x185 | 850x420x185 | 850x420x185 | 1170x420x185 | 1170x420x185 |
|
Блок в упаковке размеры (ШхДхГ) |
мм | 1045x540x270 | 1045x540x270 | 1045x540x270 | 1045x540x270 | 1045x540x270 | 1365x540x270 | 1365x540x270 |
| Вес нетто/брутто | кг | 16,5/21,5 | 17,5/22,5 | 17,5/22,5 | 17,5/22,5 | 18,5/23,5 | 22,2/28,2 | 24,0/30,0 |
| Ø Жидкостная труба | мм (дюйм) | 6,35 (1/4) | 6,35 (1/4) | 6,35 (1/4) | 6,35 (1/4) | 6,35 (1/4) | 6,35 (1/4) | 9,52 (3/8) |
| Ø Газовая труба | мм (дюйм) | 12,70 (1/2) | 12,70 (1/2) | 12,70 (1/2) | 12,70 (1/2) | 12,70 (1/2) | 12,70 (1/2) | 15,88 (5/8) |
| Статическое давление (Стандарт/Макс) |
Па | 0/15/30 | 0/15/30 | 0/15/30 | 0/15/30 | 0/15/30 | 0/15/30 | 0/15/30 |
| Панель | ||||||||
| Модель | M1B-890IA/D | M1B-890IA/D | M1B-890IA/D | M1B-890IA/D | M1B-890IA/D | M1B-1210IA/D | M1B-1210IA/D | |
| Размеры (ШxГxВ) (выходная панель) |
мм | 890x190x100 | 890x190x100 | 890x190x100 | 890x190x100 | 890x190x100 | 1210x190x100 | 1210x190x100 |
| Размеры (ШxГxВ) (всасывающая панель с филь- тром) |
мм | 890x290,5x32,4 | 890x290,5x32,4 | 890x290,5x32,4 | 890x290,5x32,4 | 890x290,5x32,4 | 1210x290,5x32,4 | 1210x290,5x32,4 |
| Размеры упаковки (ШхГхВ) |
мм | 938x335x220 | 938x335x220 | 938x335x220 | 938x335x220 | 938x335x220 | 1258x335x220 | 1258x335x220 |
| Панель вес нетто/брутто |
кг | 4,0/5,0 | 4,0/5,0 | 4,0/5,0 | 4,0/5,0 | 4,0/5,0 | 5,0/6,0 | 5,0/6,0 |
Данные носят исключительно ориентировочный характер, поскольку они могут отличаться. Пожалуйста, перед покупкой изделий уточняйте точность данных у поставщика.
Габаритные размеры
MIDS-05X1EV2AD(H) MIDS-07X1EV2AD(H) MIDS-09X1EV2AD(H) MIDS-12X1EV2AD(H) MIDS-16X1EV2AD(H) MIDS-05X1EV1AD MIDS-07X1EV1AD MIDS-09X1EV1AD MIDS-12X1EV1AD MIDS-16X1EV1AD MIDS-05X1EV1AA MIDS-07X1EV1AA MIDS-09X1EV1AA MIDS-12X1EV1AA MIDS-16X1EV1AA
Габаритные размеры
MIDG-18X1EV2AD(H) MIDG-24X1EV2AD(H) MIDG-18X1EV2AD MIDG-24X1EV2AD MIDS-18X1EV1AA MIDS-24X1EV1AA
